WACOGIKEN-直流伺服驅動總成-授權代理商

AGV防水馬達 DP-W系列
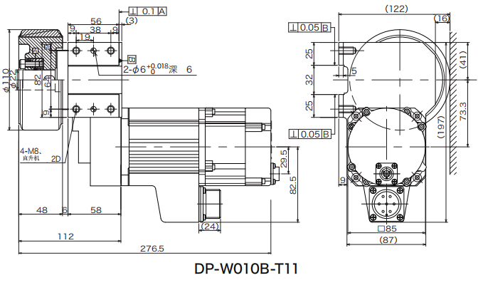
防塵,防水(IP56規范)帶車輪的AC伺服電機

濺水,擔心會被水弄濕、浸水的環境,即使有需要清洗的要求
也可以制作符合不同客戶獨特要求的AGV。
1.IP56對應(防塵,防水規格覆蓋全部件,線纜引出部分)
2.出力軸,螺栓,車輪金屬芯部采用不銹鋼材質,防銹優秀。
--請注意不可在水中使用。
式樣
|
型號 |
DP-W010B-T11 |
DP-W020B-T15 |
DP-W040B-T23 |
|
|
車輪直徑〔mm〕 |
Φ110 |
Φ150 |
Φ230 |
|
|
減速比 |
1/15.2 |
1/16.6 |
1/18.2 |
|
|
最高行駛速度〔m/min〕 |
68 |
71 |
60 |
|
|
輸出扭矩〔N?m〕 |
5 |
15 |
34 |
|
|
瞬時最大扭矩〔N?m〕 |
10.7 |
31.5 |
72 |
|
|
車輪材質 |
聚醚系聚氨酯 |
聚醚系聚氨酯 |
聚醚系聚氨酯 |
|
|
車輪硬度〔舊JIS〕 |
90 |
90 |
90 |
|
|
額定輸出〔W〕 |
115 |
258 |
334 |
|
|
額定電流〔Arms〕 |
7.6 |
17 |
21 |
|
|
瞬時最大電流〔Arms〕 |
15.6 |
34 |
42 |
|
|
電池電壓〔V〕 |
24 |
24 |
24 |
|
|
耐負荷〔N〕 |
1764 |
2940 |
7350 |
|
|
參考搬運重量※〔Kg〕 |
500 |
1000 |
2400 |
|
|
產品質量〔Kg〕 |
約8 |
請聯系我們 |
請聯系我們 |
|
|
組合驅動程序 |
ABH3系列 |
ABH3-0404 |
ABH3-0606 |
ABH3-0606 |
|
GPR2-B4系列 |
GPR2-24B4 |
GPR2-60B4 |
GPR2-60B4 |
|
※馬達2輪、被動輪(腳輪等)2輪的4輪構成均等負荷,假定混凝土之類的路面平地行駛。裝載物和臺車的總質量
|
外形尺寸 |
